Back

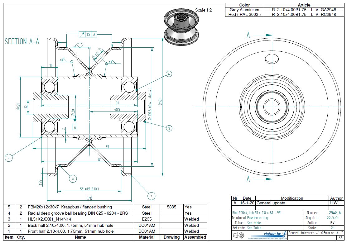
1.75 mm thick one piece welded RIM, diameter: 4 inch, width: 2.50 inch, bearing in hub: 6204-2RS-C3

Product description

Wheel rim 2.50X4 for lawn mowers, horticulture transport carts, light solid industrial tires, wheelbarrows and light carts, hand trolley, hand trolley
This rim can be fitted with tyre size(s):
✓ 2.80/2.50-4
✓ 11x4.00-4
Because the rim is welded airtight all around, it is also suitable for mounting tubeless tyres. However, it is not a hump rim where the edge of the tyre lies in a specially shaped groove to prevent the tyre from rolling off the rim when the tyre is flat.

Technical details
A - Type: Welded wheel rim for a pneumatic or solid rubber tyre
B - Rim width: 2.50 inch
C - Diameter rim: 4 inch
D - Flange disk: Flange disk with Bulge
D - Flange geometry (ETRTO):
E - Offset: Neutral / No offset
F - Safety hump: No hump
G - Rim thickness: 1.75 mm
Rim connection: Wheel rim with integral hub
H - Hub lenght: 81 mm
J - Fitting length: 95 mm
L - Outer diameter hub: 51 mm
N - Bearing in hub: 6204-2RS-C3 mm
P - Axle hole diameter: 20 mm
Thickness of hub: 2 mm
AB - Valve hole: Rim with valve hole
Paint finish: Powder coating
Colour: Grey Aluminium


Vlukon Drawing ID: 2948
Old Vlukon ID: A12A2948
New Vlukon part number: R_2.50X4.00B1.75__L_V_GA2948

Customizations & Development

Customizations & Development

We are unique in development and productions for small manufacturing series

More information

Our team consists of 45 persons who have an extensive knowlegde in customize rim productions.

VLUKON 1.75 mm thick one piece welded RIM, diameter: 4 inch, width: 2.50 inch, bearing in hub: 6204-2RS-C3

Rim size 2.50X4 | 1.75 mm thick one piece welded RIM, diameter: 4 inch, width: 2.50 inch, bearing in hub: 6204-2RS-C3

  • Get engineering support, also for small quantities.. Tooltip Let us help you design the wheel rim that will make the work-life of the end-user easier!
  • Short delivery times
  • Highest quality available
  • Ask us any colour you need

Product information

  • Article code A12A2948
  • SKU R_2.50X4.00B1.75__L_V_GA2948

Specifications

Recently viewed

Compare products Delete all products

You can compare a maximum of 3 products

Hide compare box
1.75 mm thick one piece welded RIM, diameter: 4 inch, width: 2.50 inch, bearing in hub: 6204-2RS-C3

1.75 mm thick one piece welded RIM, diameter: 4 inch, width: 2.50 inch, bearing in hub: 6204-2RS-C3

×

Get a quote

* Required fields