Back

2.50 mm thick one piece welded RIM, diameter: 8 inch, width: 5.50 inch, bearing in hub: 6205-2RS

Product description

Wheel rim 5.50AX8 H2 for material handling, industrial high load trailers, caravans & mobile homes
This rim can be fitted with tyre size(s):
✓ 16x6.50-8
Because the rim is welded airtight all around and has a double safety hump (H2 rim), it is also suitable for mounting tubeless tyres. The safety hump is a specially shaped groove for the edge of the tyre to prevent the tyre from rolling off the rim when the tyre is flat.

Technical details
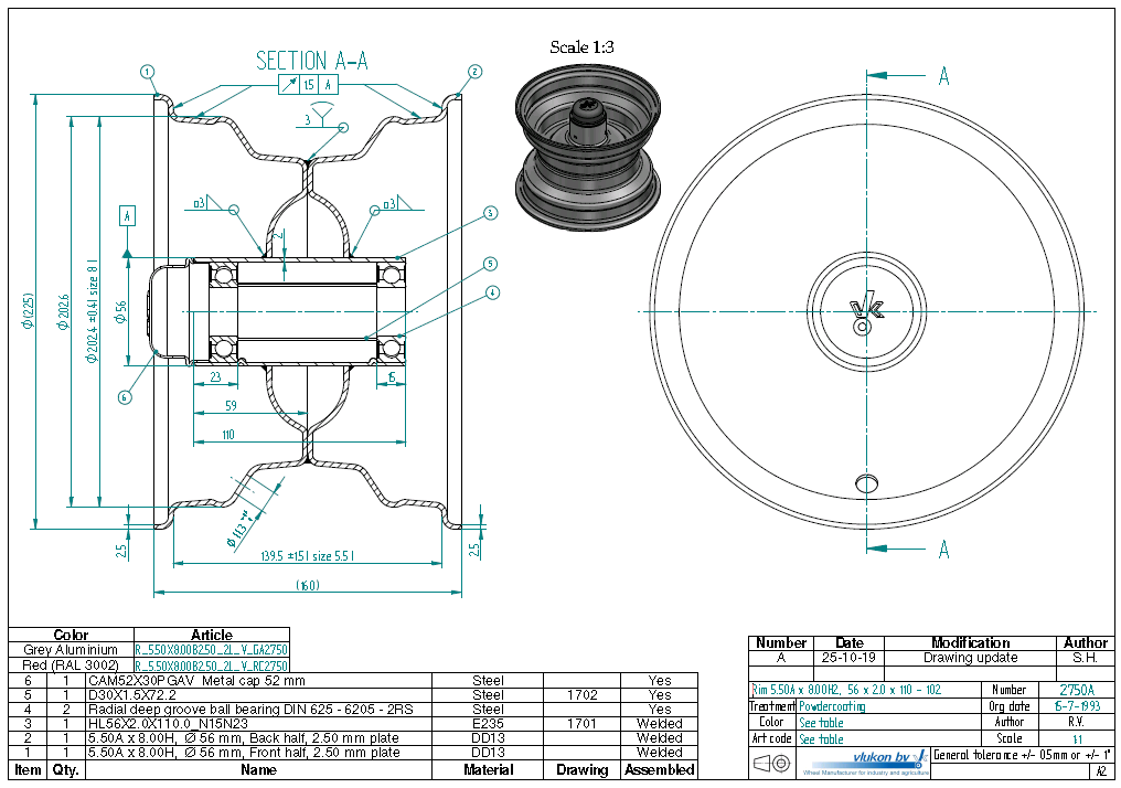
A - Type: Welded wheel rim for a pneumatic or solid rubber tyre
B - Rim width: 5.50 inch
C - Diameter rim: 8 inch
D - Flange disk: Flange disk with Bulge
D - Flange geometry (ETRTO): A
E - Offset: Neutral / No offset
F - Safety hump: (H2) Double safety hump
G - Rim thickness: 2.50 mm
Rim connection: Wheel rim with integral hub
H - Hub lenght: 110 mm
J - Fitting length: 72 mm
L - Outer diameter hub: 56 mm
N - Bearing in hub: 6205-2RS mm
P - Axle hole diameter: 25 mm
Thickness of hub: 2 mm
AB - Valve hole: Rim with valve hole
Paint finish: Powder coating
Colour: Grey Aluminium


Vlukon Drawing ID: 2750
Old Vlukon ID: B26A2750
New Vlukon part number: R_5.50X8.00B2.50_2L_V_GA2750

Customizations & Development

Customizations & Development

We are unique in development and productions for small manufacturing series

More information

Our team consists of 45 persons who have an extensive knowlegde in customize rim productions.

VLUKON 2.50 mm thick one piece welded RIM, diameter: 8 inch, width: 5.50 inch, bearing in hub: 6205-2RS

Rim size 5.50AX8H2 | 2.50 mm thick one piece welded RIM, diameter: 8 inch, width: 5.50 inch, bearing in hub: 6205-2RS

  • Get engineering support, also for small quantities.. Tooltip Let us help you design the wheel rim that will make the work-life of the end-user easier!
  • Short delivery times
  • Highest quality available
  • Ask us any colour you need

Product information

  • Article code B26A2750
  • SKU R_5.50X8.00B2.50_2L_V_GA2750

Specifications

Compare products Delete all products

You can compare a maximum of 3 products

Hide compare box
2.50 mm thick one piece welded RIM, diameter: 8 inch, width: 5.50 inch, bearing in hub: 6205-2RS

2.50 mm thick one piece welded RIM, diameter: 8 inch, width: 5.50 inch, bearing in hub: 6205-2RS

×

Get a quote

* Required fields