Back

3.00 mm thick one piece welded RIM, diameter: 10 inch, width: 6.00 inch, pcd: 114,3mm & center bore: 79,5mm l 5 bolt holes

Product description

Wheel rim 6.00IX10 H2 for forestry machinery, agricultural machinery, horticulture transport carts, tractors
This rim can be fitted with tyre size(s):
✓ 20x10.00-10
Because the rim is welded airtight all around and has a double safety hump (H2 rim), it is also suitable for mounting tubeless tyres. The safety hump is a specially shaped groove for the edge of the tyre to prevent the tyre from rolling off the rim when the tyre is flat.

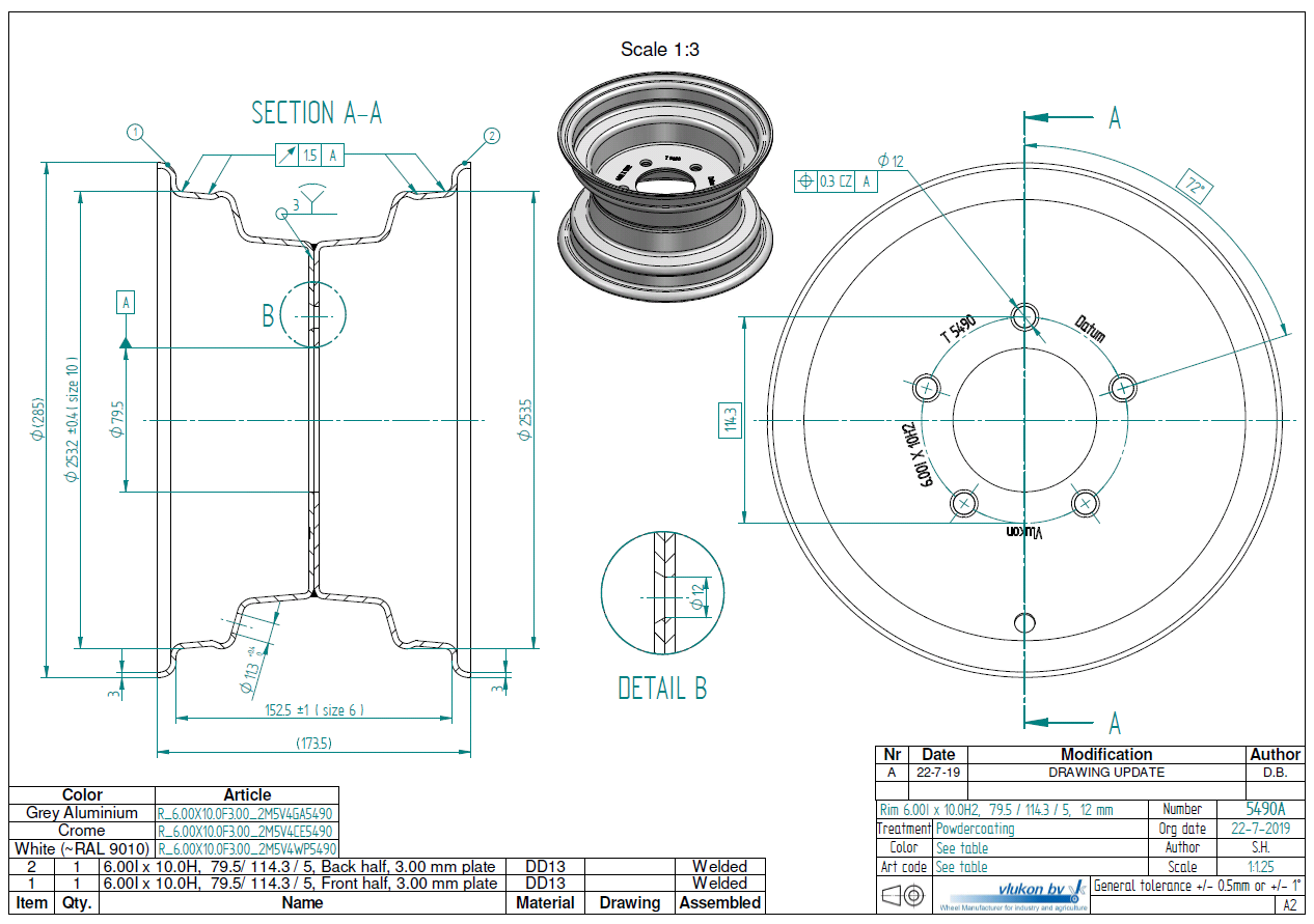
Technical details
A - Type: Welded wheel rim for a pneumatic or solid rubber tyre
B - Rim width: 6.00 inch
C - Diameter rim: 10 inch
D - Flange disk: Flat flange disk
D - Flange geometry (ETRTO): I
E - Offset:
F - Safety hump: (H2) Double safety hump
G - Rim thickness: 3.00 mm
Rim connection: rim with center bore, pcd and bolt fitting
U - Center bore diameter: 79,5 mm
V - Pitch circle diameter (PCD): 114,3 mm
W - Number of bolt / stud holes: 5
X - Studhole Ø: 12 mm
AB - Valve hole: Rim with valve hole
Paint finish: Powder coating
Colour: White
Ral Colour : RAL 9010


Vlukon Drawing ID: 5490
Old Vlukon ID: G45W5490
New Vlukon part number: R_6.00X10.0F3.00_2M5V1WP5490

Customizations & Development

Customizations & Development

We are unique in development and productions for small manufacturing series

More information

Our team consists of 45 persons who have an extensive knowlegde in customize rim productions.

VLUKON 3.00 mm thick one piece welded RIM, diameter: 10 inch, width: 6.00 inch, pcd: 114,3mm & center bore: 79,5mm l 5 bolt holes

Rim size 6.00IX10H2 | 3.00 mm thick one piece welded RIM, diameter: 10 inch, width: 6.00 inch, pcd: 114,3mm & center bore: 79,5mm l 5 bolt holes

  • Get engineering support, also for small quantities.. Tooltip Let us help you design the wheel rim that will make the work-life of the end-user easier!
  • Short delivery times
  • Highest quality available
  • Ask us any colour you need

Product information

  • Article code G45W5490
  • SKU R_6.00X10.0F3.00_2M5V1WP5490

Specifications

Compare products Delete all products

You can compare a maximum of 3 products

Hide compare box
3.00 mm thick one piece welded RIM, diameter: 10 inch, width: 6.00 inch, pcd: 114,3mm & center bore: 79,5mm l 5  bolt holes

3.00 mm thick one piece welded RIM, diameter: 10 inch, width: 6.00 inch, pcd: 114,3mm & center bore: 79,5mm l 5 bolt holes

×

Get a quote

* Required fields